CDG颜料染料专用穿流带式干燥机
产品详情
一、说明
本设备是颜料、染料专用带式干燥机。适用于AS色酚、氧化铁红、钛表蓝、永固紫等物料的
干燥。该机节省能源、人工成本低,产量高,烘干效果好,热效率高,操作方便。
二、工作原理
将要干燥的物料通过特殊的布料机构,均匀分布在网带上,干燥时,从网带和物料的上方和
下方强制输入热风,使被干燥的每个粒子表面都成为受热面,增大物料与热风的接触面积显著增
加导热面积,使物料内部水份扩散。因此干燥效果极好,特别对于被干燥物料在增加适当的预备
成形后再进行的干燥,该系列干燥机具有较高的稳定性和高节能的优点。

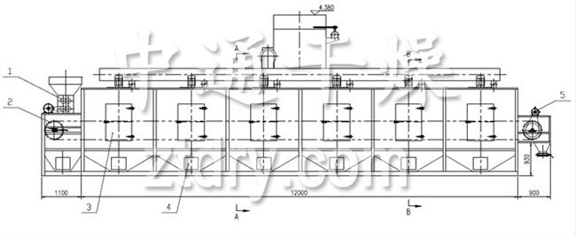
1. 挤条机 2. 链轮 3. 检修门 4. 清理门
5. 减速机 6、脉冲布袋除尘器7、排湿风机 8. 蒸汽换热器
9. 排湿风管 10. 风量调节阀 11. 循环风机12. 托辊 13. 均风板
注:如尾气排放标准要求较高,建议选配水沫除尘器。
三、主要特点
可设定适宜的操作条件,根据通风方式相应的干燥状态,可任意调节温度、风量等操作条件。
自由调节加工后的水份。由于可以自由调节干燥装置内的物料流量,停留时间,因此可任意设定加工后产品的含水量。
很少破坏形状及灰尘分散。物料在干燥装置内,是静止状态移动的,可几乎不破坏产品的形状,也无灰尘分散。
可使用各种传送带,根据干燥物料的不同,传送带除各种金属丝网之外,也可用振动板。
传送带可清洗,加热室与干燥室分开,更便于清洗传送网带。
根据要求,可在设备底板装配清扫装置,将少量掉于底板上的物料刮送到出料端。
根据产量和物料水份不同,可选择多台设备串联使用,以提高产量。
四、应用
适用于颜料、染料等膏状、糊状物料预成形后的干燥
适用于高分子聚合物、氧化铁、铁酸盐、氟石、医药品、调味料、琼脂等的化学工业药品、肥料、饲料等以及各种粒状、片状、纤维状、蛋糕状物料。
五、技术参数表
|
项目/型号 |
CDG1.2×8 |
CDG1.2×10 |
DWD1.6×8 |
CDG1.6×10 |
CDG2×18 |
CDG2×10 |
|||||
|
干燥面积m2 |
9.6 |
12 |
12.8 |
16 |
16 |
20 |
|||||
|
干燥段长×带宽 m |
1.2×8 |
1.2×10 |
1.6×8 |
1.6×10 |
2×8 |
2×10 |
|||||
|
单元数 |
4 |
5 |
4 |
5 |
4 |
5 |
|||||
|
使用温度 ℃ |
50-150 |
||||||||||
|
蒸汽工作压力 Mpa |
0.2-0.6 |
||||||||||
|
蒸汽耗量 kg/h |
120-250 |
150-375 |
150-375 |
170-470 |
225-600 |
450-1200 |
|||||
|
干燥时间 h |
0.2-1.5 |
0.25-1.5 |
0.2-15 |
0.25-1.5 |
0.2-1.5 |
0.25-1.5 |
|||||
|
蒸发能力 kg/H2o |
60-160 |
80-220 |
75-220 |
95-250 |
100-260 |
120-300 |
|||||
|
装机容量 kw |
9.25 |
11.75 |
12.55 |
15.75 |
16.55 |
20.75 |
|||||
|
外形尺寸 (L×N×H)m |
9.77×1.5×2.83 |
11.77×1.5×2.83 |
9.77×2.44×2.83 |
11.77×2.24×2.83 |
9.77×2.66×3.50 |
11.77×2.66×3.50 |
|||||
|
重量 kg |
4800 |
5780 |
5400 |
6550 |
6350 |
7800 |
|||||
|
物料名称 |
颜料 |
铁酸盐 |
氧化铁 |
抗生物质 |
调料 |
饲料 |
|||||
|
干燥面积 m2 |
32 |
16 |
19 |
19.2 |
19.2 |
32 |
|||||
|
物料处理量 kg/h |
312 |
533 |
533 |
1200 |
1200 |
1200 |
|||||
|
物料水份 % |
65 |
60 |
80 |
35 |
35 |
60 |
|||||
|
成品水份 % |
2 |
0.1 |
1.0 |
10 |
10 |
2 |
|||||
|
热源 |
蒸汽 0.5Mpa |
蒸汽 0.5Mpa |
蒸 0.4Mpa |
蒸汽 0.7Mpa |
蒸汽 0.6Mpa |
蒸汽 0.6Mpa |
|||||
|
热源消耗量 kg/h |
500 |
600 |
800 |
950 |
|||||||
|
前处理机 |
700 |
900 |
|||||||||
|
材料形状 |
粉状 |
粉状 |
|||||||||
注:部分参数视不同物料设计时有所调整,以设计方案为准。
下一条:DW系列单层带式干燥机















